
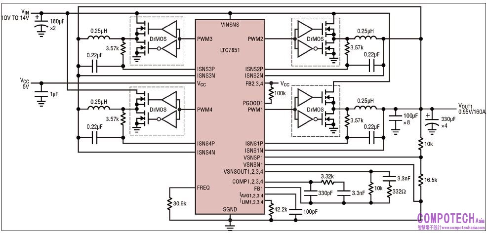
圖 :簡化的LTC7851 原理圖,提供單個0.95V/160A 輸出
電訊和資料通訊系統中,常見的新一代路由器和交換器的複雜性和可擴展性不斷提高,正為電源製造帶來壓力,因為人們需要提供智慧彈性、可橫跨多種平台擴展的高效率電源解決方案。系統設計者經常會需要幾種基礎架構變體,以能夠提供高、中、低階系統,且每種系統都具備不同的功能。可根據系統需要增設、移除或調整大小的元件類型實例包括;內容可定址記憶體(CAM)、三元內容可定址記憶體(TCAM)、專用積體電路(ASIC)、全客製矽晶片和現場可編程閘陣列(FPGA)。