當前位置: 主頁 > 技術&應用 >
 

基於移相控制的多路輸出降壓變換器提升EMI性能的PCB佈局優化

本文作者:Gavin Wang       點擊: 2018-12-04 16:13
前言:
電源設計工程師通常在汽車系統中使用一些DC/DC降壓變換器來為多個電源軌提供支援。然而,在選擇這些類型的降壓轉換器時需要考慮幾個因素。例如,一方面需要為汽車資訊娛樂系統/主機單元選擇高開關頻率DC/DC變換器(工作頻率高於2 MHz),以避免干擾無線電AM頻段;另一方面,還需要通過選擇相對較小的電感器來減小解決方案尺寸。此外,高開關頻率DC/DC降壓變換器還可以幫助減少輸入電流紋波,從而優化輸入電磁干擾(EMI)濾波器的尺寸。
 
然而,對於正在嘗試創建最新汽車系統的大型汽車原始設計製造商(ODM)來說,符合所要求的EMI標準至關重要。這些要求非常嚴格,製造商必須遵守諸多標準,如國際無線電干擾特別委員會(CISPR) 25標準。在很多情況下,如果製造商不符合標準,汽車製造商就無法接受相應的設計。
 
因此,對於DC/DC降壓轉換器的EMI性能提升,PCB佈局至關重要。而要獲得良好的EMI性能,優化大電流功率回路,減小寄生參數對於環路的影響是關鍵。
 
以LMR14030-Q1構成的兩路輸出降壓轉換器DC/DC降壓變換器為例,如圖1和圖2所示的兩種不同的印刷電路板(PCB)佈局。紅線顯示的是功率回路在佈局中的流動方式。圖1中功率回路的流動方向呈U型,而圖2中的流動方向呈I型。這兩種佈局是汽車和工業應用系統中最常見的佈局。那麼,哪一種佈局更好呢?
 

圖 1:U型佈局
 

圖 2:I型佈局

傳導EMI被分為差模和共模兩種類型,差模噪音源自電流變化率(di/dt),而共模雜訊則源自電壓變化率(dv/dt)。而無論是di/dt還是dv/dt, EMI性能的關鍵點在於如何儘量減小寄生電感。
 
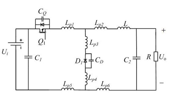
圖3是降壓變換器的等效電路。大多數設計人員都知道如何儘量減小高頻回路中Lp1、Lp3、Lp4和Lp5的寄生電感,但忽略了Lp2和Lp6。對於兩種不同的佈局U型和I型,U型佈局的Lp2和Lp6上的寄生電感相較於I型佈局更小。在U型佈局中,減小開關管Q1導通時的功率回路也將有助於提高EMI性能。
 
 
圖 3:降壓變換器等效電路
 
為了驗證最佳佈局,測量EMI資料顯得至關重要。圖4和圖5對一個兩路輸出的變換器傳導EMI進行了對比。同時,該電路採用移相控制,減小輸入電流紋波,從而優化輸入濾波器。從測試結果可以看出,U型佈局的EMI性能優於I型佈局的EMI性能,尤其是在高頻的部分。
 

圖 4:移相控制下的U型EMI性能
 
 
圖 5:移相控制下的I型EMI性能
 
加入EMI濾波器可以有效地提高EMI性能。圖6所示為一款簡化版EMI濾波器,其中包括一個共模(CM)濾波器和一個差模(DM)濾波器。一般來說,差模濾波器的雜訊小於30MHz,共模濾波器的雜訊範圍為30MHz至100MHz。兩個濾波器都會影響EMI需要限制的整個頻段。圖7和圖8分別對帶有共模濾波器和差模濾波器的傳導性EMI進行了對比。U型佈局可以符合CISPR 25 3類標準,而I型佈局則不符合。
 

圖 6:簡化的EMI濾波器
 

圖 7:採用差模和共模濾波器的U型佈局的EMI性能
 

圖 8:採用差模和共模濾波器的I型佈局的EMI性能
 
本文比較了移相控制下的雙路輸出降壓變換器兩種不同的PCB佈局,可以看出,U型佈局的EMI性能優於I型佈局。欲瞭解更多資訊,請參見TI官網應用報告“How SYNC Logic Affects EMI Performance for Dual-Channel Buck Converters”。

電子郵件:look@compotechasia.com

聯繫電話:886-2-27201789       分機請撥:11