您是否正在搜尋有關RS-485的更多資訊?我們特意根據TI E2E™社區的回饋,彙編了關於隔離型RS-485收發器設計攻關的最常見問題清單。希望這份清單能為您提供關於RS-485隔離信號與電源的有用見解。
1.何時必須隔離RS-485匯流排?
隔離可防止系統兩個部分之間的直流電(DC)和異常的交流電(AC),但仍然支援兩個部分之間的信號和電能傳輸。隔離通常能夠阻止電氣元件或人員遭受危險電壓和電流浪湧的傷害;用於保護人員的隔離稱為增強型隔離。隔離可防止節點之間進行長途通信時形成接地回路。隔離還允許遠高於RS-485標準所推薦的節點間通信接地電位差變化率。
2.可以把多少個節點連接到一條RS-485匯流排上?
為預估可能的最大匯流排負載數量,RS-485定義了一個假設術語“單位負載(UL)”,它代表約為12kΩ的負載阻抗。美國電子工業協會(TIA/EIA) RS-485標準強制規定最多能夠為一條RS-485匯流排添加32 UL負載。我們使用輸入電壓除以漏電流得到的最壞情況下的性能比來計算一個節點的UL,如等式1所示。
一旦算出了該節點的UL,就可以用等式2計算最大節點數量:
大部分TI隔離型RS-485收發器的單一UL為1/8,因此換算的結果是一條RS-485匯流排上最多可以有256個節點。
如需更多瞭解UL及一條RS-485匯流排可連接的節點數量,請參考“模擬應用期刊”文章——“RS-485單位負載與最大匯流排連接數量”。
3.隔離型RS-485的速度與長度相關性是什麼?
在信號速率(速度)與電纜長度之間存在反向關係。它們之間的確切關係取決於電纜本身的電阻和電容。如果構建RS-485網路,選擇電纜與收發器同等重要,如此方能確保在所需距離上的可靠通信。圖1展示了信號速率與電纜長度的相關性。圖中的圈3顯示的是與信號速率無關的最大電纜長度;在曲線的這部分區域,電纜的直流電阻導致信號衰減,限制了最大通信距離。圈2展示了信號速率與電纜長度之間的反向關係,這是由傳輸線路損耗造成的,電纜越長損耗越大。圈1使您可以忽略傳輸線路損耗;驅動器的上升和下降時間,決定了對最大資料傳輸率的主要限制因素。RS-485標準建議最大信號速率為10Mbps;但是,按照當今的技術,信號速率已達50Mbps。
圖 1:信號速率與電纜長度的關係
4.什麼是故障保護偏置,如何設計它?
為履行RS-485標準,當差分輸入(VID)超過200mV時,接收器輸出必須生成邏輯高電平,而當VID低於-200mV時,則必須輸出邏輯低電平。然而,在下列三種情況下會生成無效輸出:
• 匯流排開路,例如電纜斷裂或連接器斷開。
• 匯流排短路,例如電纜絕緣破損,使絞線對短路。
• 匯流排閒置,如果匯流排上沒有驅動器有效驅動,就會產生這種結果。
在以上任何情況中,對於端接的傳輸線路,RS-485接收器VID為零,無故障保護接收器輸出則不確定。
故障保護偏置為閒置匯流排提供差分電壓,從而能夠維持接收器處於邏輯高電平態。如果您不考慮故障保護偏置,終端電阻可將匯流排電壓降至0V,導致錯誤的輸出或信號振盪。您可以通過結合運用電阻網路與RS-485接收器,設計故障保護偏置。TI隔離型RS-485收發器均已針對匯流排開路、短路或閒置的情況集成了故障保護偏置,故不再需要構建外部電路來設計故障保護偏置。
5.何時需要端接RS-485匯流排,它對系統而言有何優點和缺點?
在大部分RS-485應用中,為防止信號反射,終端電阻都與電纜的特性阻抗相匹配。終端電阻應安裝在RS-485匯流排的兩端。有些短途通信在沒有終端電阻的情況下也能正常操作,但對於所有應用而言端接線路都是最佳方法。終端電阻的缺點是由電阻產生直流損耗,這會使系統產生更高的功耗。即便有此缺憾,終端電阻仍然是絕大多數應用的好選擇。
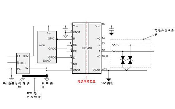
6.隔離型RS-485設備需要哪種瞬態保護?
隔離型RS-485設備採用何種瞬態保護取決於最終系統中可能的干擾類型,例如靜電釋放(ESD)、電快速瞬變脈衝群(EFT)或浪湧,以及所需的保護水準。TI隔離型RS-485收發器產品系列如果具有浮動絕緣接地導體,則集成收發器匯流排終端會具有某種程度的內部瞬態保護。除此之外,正確設計系統後,您可以利用隔離勢壘形成針對這些瞬態變化的高阻抗。如果您不希望系統中出現差分瞬態現象,並測試了所有與最終設備接地相關的瞬態,然後將保護性接地裝置(PE)連接到隔離型收發器的邏輯側,將使所有高電壓瞬態發生在隔離勢壘處。把PE連接到邏輯側,可以免除外部元件,如瞬態電壓抑制(TVS)二極體或防脈衝電阻等。
圖2展示了採用ISO1410的增強型瞬態保護技術。
圖 2:半雙工隔離型RS-485收發器,具有可選的匯流排保護元件
7.您如何為隔離型RS-485節點構造隔離型電源?
為隔離型RS-485節點構造隔離型電源有幾種可選的方法;最佳解決方案須視具體的應用需要而定。
一個選擇是使用TI SN6501這樣的變壓器驅動器,此種驅動器可用於具有次級側變壓器和整流低壓差穩壓器(LDO)的推挽式配置。SN6501的功率高達1.5W,可作為隔離型電源。此設備具有高度靈活性,幾乎可用在所有應用中。這是因為變壓器匝數比能使電源提供必要的隔離電壓和輸出電壓。如果您需要為其他設備提供隔離電源,則可使用SN6505而不是SN6501,獲得高達5W的輸出功率。SN6505具有額外的保護特性,例如超載和短路、熱關斷、軟啟動和壓擺率控制等,方便設計人員構築健全的解決方案。

圖 3:運用SN6501構建ISO1410的隔離型電源
另一個針對空間受限應用的可選方法是ISOW78xx系列設備,該系列可在小型塑封積體電路(SOIC)-16封裝中提供信號和電源隔離特性。ISOW7841可與非隔離型RS-485收發器結合運用,如帶集成信號和電源參考設計的隔離型RS-485所示。這種結合運用占空間小;不需要變壓器,也易於通過認證。請參閱ISOW7841線上產品資料夾中的所有文檔,瞭解詳情。
圖 4:運用ISOW7841打造集成信號和電源的隔離型RS-485
我們還遺漏了什麼問題嗎?
如果您想尋找更多有關RS-485的資訊,或者想為這份清單添加問題,請訪問TI E2E社區並留言,幫助我們繼續探討。
其他資源
• 有關TI隔離技術的更多資訊
• 有關TI隔離型RS-485產品系列的更多資訊
• 瞭解如何為RS-485系統隔離信號和電源
• 敬請參與TI E2E社區數位隔離裝置論壇的討論