當前位置: 主頁 > 技術&應用 >
 

可編程設計增益儀錶放大器:尋找合適的元件

本文作者:Kristina Fortunado       點擊: 2019-03-28 16:28
前言:
 
資料擷取系統(DAQ) 在許多業界應用廣泛,例如研究、分析、設計驗證、製造和測試等。這些系統與各種感測器介面也為前端設計帶來了挑戰。考慮不同感測器的靈敏度是必要的,例如,系統可能需要連接最大輸出為10 mV 和靈敏度為微伏以下的負載感測器,同時還要連接針對10 V 輸出而預處理的感測器。當只有一個增益時,系統需要具有非常高的解析度來檢測兩個輸入。即便如此,在最低輸入時訊號雜訊比(SNR) 也會受影響。
 
在這些應用中,可編程增益儀錶放大器(PGIA)是適合前端的解決方案,可適應各種感測器介面的靈敏度,同時優化SNR。整合式PGIA 可實現良好的直流和交流規格。本文討論各種整合市PGIA 及其優勢。文中並會討論相關的限制,以及為滿足特定要求而構建分立PGIA 時應遵循的指導原則。

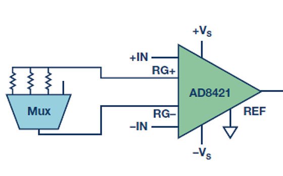
圖1:AD8421 和用於切換增益的多工器

電子郵件:look@compotechasia.com

聯繫電話:886-2-27201789       分機請撥:11