當前位置: 主頁 > 技術&應用 >
 

什麼是隔離數字輸入?

本文作者:德州儀器       點擊: 2019-06-27 12:35
前言:
什麼是隔離數字輸入?
 
雖然隔離數位輸入和數位隔離器聽起來很相似,但實際上它們之間存在一些顯著差異。閱讀本博文後,希望您能夠輕鬆分辨出兩個隔離功能之間的區別。
 
內部結構
數位隔離器充當提供電流隔離數位信號路徑的基本(或通常是加強型)功能。來自德州儀器(TI)的隔離結構是電容性的,其絕緣屏障由我們互補的金屬氧化物半導體(CMOS)工藝技術構建的兩個高壓電容器組成。高頻載波通過隔離柵從初級側到次級側通信,而我們的數位隔離器能夠承受高達12.8 kV的施加浪湧電壓和1.5 kV的工作電壓,而不會破壞雙電容屏障。數位隔離器的一個關鍵元件是基本或加強型隔離電壓。
 

 
圖1:數字隔離器
 
隔離數位輸入充當提供從感測器輸入或其他輸入類型到主機控制器介面的邏輯輸出的電流隔離的基本功能。與數位隔離器不同,隔離數位輸入的輸入級(如圖2所示)包括用戶設置輸入閾值和集成電流限制,允許9V至60V範圍內的輸入電壓轉換為邏輯輸出。在最簡單的形式中,隔離數字輸入用作隔離比較器,具有一些易於設計的附加功能。
 
 
圖2:隔離數位輸入
 
使用差異
數位隔離器通常用於信號路徑中的模數轉換器(ADC)或資料獲取轉換器與主機控制器或微控制器(MCU)之間。數位隔離器也常見於給定系統的隔離電源功能中。
 
隔離數位輸入專門設計為數位輸入接收器,用於可程式設計邏輯控制(PLC)、電機控制和電網應用,以實現場側輸入和主機控制器之間的介面。隔離數位輸入是面向場側輸入,可輕鬆配置用於匯和源應用。集成電流限值可在較高輸入電壓環境下最大限度地降低輸入的熱分佈,並通過簡易外部電阻設置,以符合國際電子電機委員會(IEC)61131-2的I、II或III型開關。附加電阻設置輸入電壓閾值;可使用線上計算器輕鬆選擇電阻。
 
電源差異
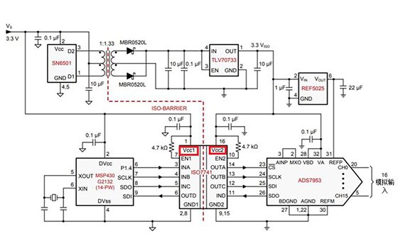
數位隔離器需要初級和次級側電源。在圖3中,隔離電源為ADC以及連接ADC的數位隔離器的“場側”供電。
 
 
圖3:ISO7741隔離MCU和ADC通信
 
隔離數位輸入僅需要次級側電源。在ISO1211(圖4)和ISO1212隔離數字輸入中,場側由輸入供電,因此無需場側電源。與其他分立解決方案相比,此方案更易於前端設計。
 

圖4:ISO1211配置為PLC數位輸入模組
 
我們的新型隔離數位輸入是TI諸多創新方式中的一個示例。TI正使得全球最強大、最可靠的隔離解決方案變得更容易,更高效。
 
其他資源
• 通過應用指南“如何簡化隔離式24 V PLC數位輸入模組設計”,瞭解如何簡化隔離設計。
• 閱讀應用指南“多通道高壓數位輸入模組的空間節省設計技術”,瞭解有關隔離設計技術的更多資訊。

電子郵件:look@compotechasia.com

聯繫電話:886-2-27201789       分機請撥:11