當前位置: 主頁 > 技術&應用 >
 

電池充電器的反向電壓保護

本文作者:Steven Martin       點擊: 2019-10-10 14:06
前言:
 
引言
處理電源電壓反轉有幾種眾所周知的方法。最明顯的方法是在電源和負載之間連接一個二極體,但是由於二極體正向電壓的原因,這種做法會產生額外的功耗。雖然該方法很簡潔,但是二極體在可攜式或備份應用中是無法發揮作用的,因為電池在充電時必須吸收電流,而在不充電時則須供應電流。
 
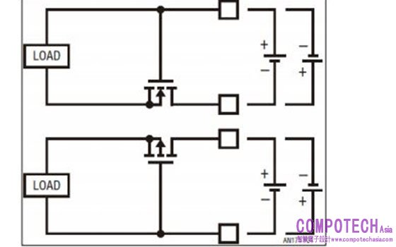
另一種方法是使用圖 1 所示的 MOSFET 電路之一。
 
 

圖 :傳統的負載側反向保護

電子郵件:look@compotechasia.com

聯繫電話:886-2-27201789       分機請撥:11