當前位置: 主頁 > 技術&應用 >
 

霍爾電流感測器在電信整流器和伺服器電源中的應用

本文作者:德州儀器       點擊: 2020-05-13 09:41
前言:

電信整流器和伺服器電源單元(PSU)中的功率因數校正(PFC)電路和逆變電路都需要將高壓側的電流信號檢測到位於低壓側的控制器,因此要用到隔離式電流感測器。隔離式電流檢測有多種實現方式,例如電流互感器(CT)、隔離放大器和霍爾效應電流感測器。其中,霍爾效應電流感測器因其簡便易用、準確、體積小且具有直流檢測能力,成為比較理想的選擇。
 
電流互感器是基於變壓器的原理對電流進行採樣,使用CT可以檢測MOSFET或者IGBT的開通電流。CT的快速回應速度使其非常適合於用做峰值電流控制和過流保護控制。但是基於變壓器耦合原理的CT無法感測直流或非常低頻的電流,從而導致其不能直接檢測工頻AC電流,或因為只檢測開通電流的間接方法而損失測量精度(沒有關斷電流)。另外,由於CT需要使用鐵氧體磁芯,體積很難做小,而體積較大的CT又會增大電源開關環路,產生更高的電壓尖峰和雜訊干擾。
 
而霍爾效應電流感測器則是一種精度更高、體積更小的選擇,它可以在直流條件下工作,而且能夠以良好的線性度和精度測量包含了開通和關斷的AC總電流。同時,霍爾效應電流感測器的體積可以做到SOIC-8的封裝,同一顆集成IC一樣大小,使PCB的佈局更加容易,有助於實現更高的功率密度。
 
表1對霍爾效應電流感測器與電流互感器進行了比較。
 

 

霍爾效應電流感測器

電流互感器

原理

霍爾效應(磁場測量)

變壓器(磁通耦合)

測量能力

直流和交流

僅交流

尺寸

最小:SOIC-85 mm x 6 mm x 1.8 mm

最小:EE57.7 mm x 6.9 mm x 5.4 mm

精度

可達1%

取決於許多因素

應用

DC/AC電流檢測,PFC電流控制,逆變器電流控制

峰值電流控制,過流保護

 表1:霍爾效應電流感測器與電流互感器的比較
 
在將霍爾效應電流感測器應用於電信電源或伺服器PSU時,需要評估電流的檢測範圍、連續電流耐受能力、回應速度(/頻寬)和電壓隔離等級。在某些情況下,電信電源或伺服器電源可能還需要向上位機彙報當前的運行功率,此時高精度的霍爾電流感測器(如TI的TMCS1100)可説明系統實現≥1%的電流檢測精度。
 
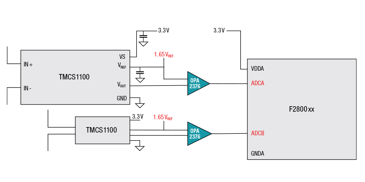
圖1展示了,在分別使用3.3 V和5 V供電情況下,霍爾效應電流感測器的典型應用電路。與使用3.3 V電源供電相比,使用5 V供電可用拓寬霍爾感測器的電流檢測範圍。以TMCS1100A1為例,霍爾感測器的靈敏度為50 mV/A:如果使用3.3V電源,則電流檢測範圍為-33 A〜+ 33 A(雙向);而使用5.0V電源時,電流檢測範圍可以擴展到-50 A〜+ 50A。另外,在設計中應當注意,除了電流檢測範圍之外,還需要考慮感測器的連續電流耐受能力,當電流耐受力不足時,可以通過改善感測器的散熱來優化。
 
圖1:霍爾效應電流感測器的常見應用:採用3.3 V電源的霍爾效應電流感測器(a);採用5 V電源的霍爾效應電流感測器(b)
 
在使用霍爾效應電流感測器的電路板佈局中,要注意以下因素:
 散熱:儘量增大一次側電流導線的覆銅面積,可以提高霍爾電流感測器的散熱能力,從而增加感測器的最大平均電流耐受能力。另外,還可以使用更厚銅箔的PCB,或者在初級走線上放置一些散熱過孔,或者把霍爾電流感測器和PCB走線放置在風道內,都可以改善霍爾電流感測器的平均電流耐受能力。

 一次側電流磁場:佈局時,應儘量避免大電流的走線靠近霍爾電流感測器。

 隔離要求:從系統整體考慮爬電距離和電氣間隙,當霍爾電流感測器無法滿足所需的PCB爬電距離時,可以在電路板上挖槽以達到系統級的隔離要求。
 
總結,在電信整流器和伺服器PSU中,CT更適合於峰值電流控制和過流保護,但它體積較大且精度不高。霍爾效應電流感測器體積小,精度高,使用簡單方便,並且更適合檢測交流線路電流。希望本文介紹的關於霍爾電流感測器的一些用法對大家有所幫助。
 
其他資源
 下載TMCS1100 資料表。
 請參閱以下應用指南:
o “利用非比例式磁性電流感測器實現精密電流檢測設計”。
o “理解和應用霍爾效應感測器資料表”。
o 請參閱TMCS1100EVM使用者指南。

 

電子郵件:look@compotechasia.com

聯繫電話:886-2-27201789       分機請撥:11